
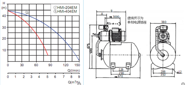
名稱:不銹鋼自動增壓泵HMI-204EM
型號:HMI-204EM
品牌:威樂水泵產品
咨詢電話:0538-5822222
型號:HMI-204EM
品牌:威樂水泵產品
咨詢電話:0538-5822222
產品簡介
◆·通過壓力開關自動運行,靈敏可靠,壽命長,性能穩(wěn)定。
◆·不銹鋼水利部件。
◆·家庭,別 墅,會館,中小型建筑供水增壓。
◆·洗浴熱水增壓。
◆·泵體:不銹鋼。
◆·葉輪:不銹鋼。
◆·泵軸:不銹鋼。
◆·機封:陶瓷+石墨。
◆·耐溫:0-70°C


下一篇:自動自吸增壓泵PW-1500EA
